ER-QA-03A High Performance Quartz Accelerometer
Introduction
ER-QA-03A High Performance Quartz Accelerometer with high reliability is mainly used in inertial measurement and test systems in the aerospace and aviation fields. It can carry out static test and dynamic test, which is a standard vibration sensor.
Features
The high performance quartz flexible accelerometer uses high-quality quartz crystals to achieve high precision acceleration measurement with extremely high reliability and stability. Its special flexible construction enables it to adapt to high acceleration applications under various environmental conditions, such as high temperature, high pressure and high vibration environments.
Application
In addition to being widely used in aerospace and military fields, high performance quartz flexible accelerometers are also widely used in automotive, medical and scientific research fields. In the field of scientific research, they can be used to study earthquakes, crustal movements, cosmology, and microgravity environments.
Specifications
| No. | Parameters | ER-QA-03A1 | ER-QA-03A2 | ER-QA-03A3 | Unit |
| 1 | Range | ±50 | ±50 | ±50 | g |
| 2 | Threshold/Resolution | 5 | 5 | 5 | μg |
| 3 | Bias | ≤ (±3) | ≤ (±5) | ≤ (±10) | mg |
| 4 | Scale factor | 1.3±0.2 | 1.3±0.2 | 1.3±0.2 | mA/g |
| 5 | Class II non-linearity | ≤ (±20) | ≤ (±30) | ≤ (±30) | μg /g² |
| 6 | Bias repeatability | ≤10 | ≤30 | ≤50 | μg |
| 7 | Scale factor repeatability | ≤15 | ≤30 | ≤50 | ppm |
| 8 | Class II non-linearity repeatability | ≤ (±10) | ≤ (±20) | ≤ (±30) | μg /g² |
| 9 | Bias temp coefficient | ≤ (±10) | ≤ (±30) | ≤ (±50) | μg/℃ |
| 10 | Scale factor temp coefficient | ≤ (±20) | ≤ (±30) | ≤ (±50) | ppm /℃ |
| 11 | Noise | ≤5 | ≤8.4 | ≤8.4 | mv |
| 12 | Natural frequency | 400~800 | 400~800 | 400~800 | Hz |
| 13 | Bandwidth | 800~2500 | 800~2500 | 800~2500 | Hz |
| 14 | Vibration | 6g (20-2000Hz) | |||
| 15 | Shock | 100g, 5ms, 1/2sin | |||
| 16 | Operating temperature | -40~+80 | -40~+80 | -40~+80 | ℃ |
| 17 | Temperature range | -60~+120 | -60~+120 | -60~+120 | ℃ |
| 18 | Power voltage | ±12~±15 | ±12~±15 | ±12~±15 | V |
| 19 | Current | ≤(±20) | ≤(±20) | ≤(±20) | mA |
| 20 | Temp. sensor | Yes and no two type | |||
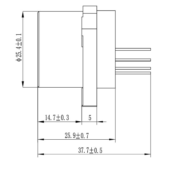
| 21 | Size | Ф25.4X37.7 | Ф25.4X37.7 | Ф25.4X37.7 | mm |
| 22 | Weight | ≤80 | ≤80 | ≤80 | g |
Install dimension

Electrical interface
The servo circuit electrical interface relationships are shown in Table 1. The terminal arrangement and description should conform to the following diagram. The terminal arrangement is shown from the bottom view (pins facing upward).

Table 1 Servo circuit electrical interface relationship (AD590)
| Lead-out terminal
Serial number |
symbol | Pin function | Lead-out terminal
Serial number |
symbol | Pin function |
| 1 | ML | Signal output terminal | 6 | Tse | Self-check terminal |
| 2 | MH | Current test terminal | 7 | C ext1 | Differential capacitance detection terminal 1 |
| 3 | V- | Negative power supply terminal | 8 | C ext2 | Differential capacitance detection terminal 2 |
| 4 | V+ | Positive power supply terminal | 9 | VO- | AD590 low-end |
| 5 | GND | ground | 10 | VO+ | Regulator positive output(AD590High-end) |
Application Techniques
1.Methods to Maintain the Long-Term Performance of Quartz Flexure Accelerometers
2.How to Improve the Impact Resistance of Quartz Accelerometer
3.Study on the Stability of Quartz Accelerometer Head
4.What is the Quartz Accelerometer Digital Closed Loop Servo Circuit?
5.MEMS Accelerometer Packaging Technology
6.Calibration Method of Accelerometer
More Products






